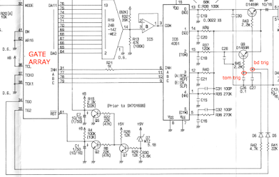
DR-220のBDとTOMには出力のエンベロープ用にトリガ信号が用意されている。
これを取り出して外部の音源を叩けるように改造したい。
当初はGATE ARRAYのTG0とTG2から信号を取り出す予定であったが、パルス幅が
短すぎて音源を満足に鳴らせなかった
この信号はD5,D6を通してC26,C27で積分してVCAのエンベロープを生成しているので
この回路を利用することにした。
背面にジャックを取り付けた
外部音源を接続するとDR-220のBDとTOMは鳴らない。これはエンベロープが生成
できなくなるためで、そうするとVCAが機能しない。



